Damasko Watch Technology
Bezel Construction
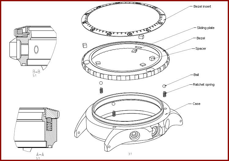
Below is a rare insight into Damasko bezel constructions (patent pending), illustrating how ultra precise and reliable bezel action is acheived. CAD/CNC designed and engineered, hardened components guarantee that Damasko bezel ratchets will never wear out, or become loose. Get a view on bezel parts that even Damasko owners will rarely ever see.
No other bezel available offers that amount of preciseness and performance even under harshest conditions.
